

產品概述:
SM5651/SM5652為OEM壓力傳感器,完全校準和溫度補償微差壓雙列直插高性能壓力傳感器。
SM5651/SM5652系列為陶瓷基底貼裝高穩定壓阻式壓力傳感器芯片,利用陶瓷基板上的薄膜電阻進行零度校正、零點溫度補償和靈敏度溫度補償。SM5651只能用恒流驅動,一個額外的電阻修剪正常化的外部差分放大器的輸出提供了跨度校準。而SM5652在恒壓激勵下對輸出信號很容易進行放大。
SM5651芯片有額外的增益電阻,采用恒流激勵,SM5652采用恒壓激勵。
特點
微壓0.15psi\0.30psi\0.80psi\1.50psi和3.0psi
恒流或恒壓激勵
溫度補償范圍寬(0-60℃)
跨度校準正高達±2%
零點校準及溫度補償
高性能、穩定的硅芯片封裝
表壓和差壓配置
應用
醫療設備
呼吸機、麻醉機和監護儀
HVAC(空調)
水平監測
流量測量
工業控制
微差壓變送器

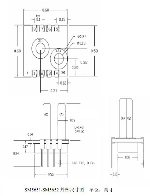
產品尺寸圖:

性能參數
測試的條件是:SM5651激勵電流源為1.5mA,室溫為25℃,SM5652激勵電壓源為10.00V DC,室溫25℃,除非另有規定。
| 最小值 | 典型值 | 最大值 | 單位 | |
| 激勵源 | ||||
| 激勵電壓源DC(SM5652) | >0 | 10.00 | 20.00 | V | 
| 激勵電流源DC(SM5651) | >0 | 1.50 | 3.00 | mA | 
| 滿量程輸出 | ||||
| SM5651滿量程輸出 | 25 | 45 | 75 | mV | 
| SM5652滿量程輸出 | 24.5 | 25 | 25.5 | mV | 
| 零點輸出 | 
             -2  | 
            0.2 | 2 | mV | 
| 溫度系數 | ||||
| 滿量程溫度系數 | -0.65 | 0.2 | 0.65 | %FS | 
| 零點溫度系數 | -1 | 0.2 | 1 | %FS | 
| 溫度遲滯性 | 
             -0.3  | 
            
             0.05  | 
            
             0.3  | 
            %FS | 
| 準確度 | ||||
| 線性度(非線性誤差) | -0.3 | +0.05 | +0.3 | %FS | 
| 重復性 | -0.3 | +0.05 | +0.3 | %FS | 
| 壓力遲滯性 | -0.3 | +0.05 | +0.3 | %FS | 
| 靈敏度匹配性 | -2 | -0.2 | +2.0 | %FS | 
| 阻抗(SM5651) | ||||
| 輸入阻抗 | 1.8 | 3 | 3.8 | kΩ | 
| 輸出阻抗 | 2.7 | 3.3 | 3.8 | kΩ | 
| 阻抗(SM5652) | ||||
| 輸入阻抗 | 4.5 | 8 | 25 | kΩ | 
| 輸出阻抗 | 2 | 2.5 | 3.8 | kΩ | 
| 溫度范圍 | ||||
| 補償溫度 | +0 | +60 | ℃ | |
| 工作溫度 | -40 | +125 | ℃ | |
| 存儲溫度 | -40 | +125 | ℃ | |
| 動力特性 | ||||
| 耐壓 | 10X | Rated FS | ||
| 爆破壓力 | 15X | Rated FS | 
更多詳細資料請點擊下載>>
