

產品簡介:
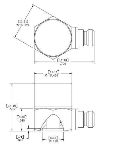
7104A加速度傳感器:7104A系列為高性能IEPE加速度傳感器,工作溫度范圍寬,從-55℃~125℃。產品測量量程為±50g~±500g。頻率響應可達10KHz。7104A采用全密封結構,可通過產品上的螺孔固定安裝。
基本參數:
量程: ±50,±500
封裝:不銹鋼
工作溫度范圍:-55 ~ +125
精確度:靈敏度(mV/g)100,10
供電電源:18~30,18~30
特點:±50g~±500g動態量程、帶寬可達10KHz、通過螺孔安裝、全焊接密封、環型剪切、隔離安裝表面
類型:壓電IEPE
電氣連接:見附件
典型應用:
振動&沖擊監測/實驗室測試/模型應用/高頻應用/鐵路測試 
 
外形:

詳細資料請點擊下載>>
