

產品簡介:
832系列加速度傳感器為低成本,板載式安裝的三軸加速度傳感器。產品采用穩定的壓電陶瓷晶體,功耗極低,最大為22μA。產品量程從±100g到±500g,頻率響應最高可達6KHz。
基本參數:
輸出: mV級
量程: ±200g、±500g、±100g 
封裝:表面貼裝
工作溫度范圍:-40℃~125℃
精確度:±2% 
供電電源:3.3~5.5VDC
特點:低成本、焊接密封、壓電陶瓷
類型:板載式
電氣連接:電路板安裝
典型應用:
數采設備,貴重資產監測,碰撞監測
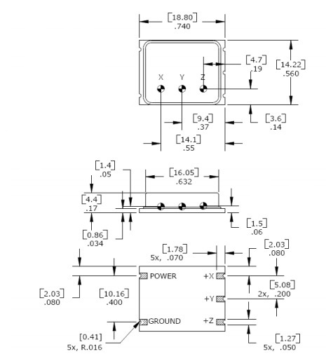
外形:

 
詳細資料請點擊下載>>
