產品簡介:
      FN3030力傳感器測量拉壓力標準量程從0-50 N到0-100,000N。FN3030非常適合于工業定制應用,可在惡劣環境下使用可升級保護水平。此外,配備高平輸出集成放大器模塊。
特點:
基本參數:
    - 工作模式:拉力和壓力
 
    - 封裝:S梁
 
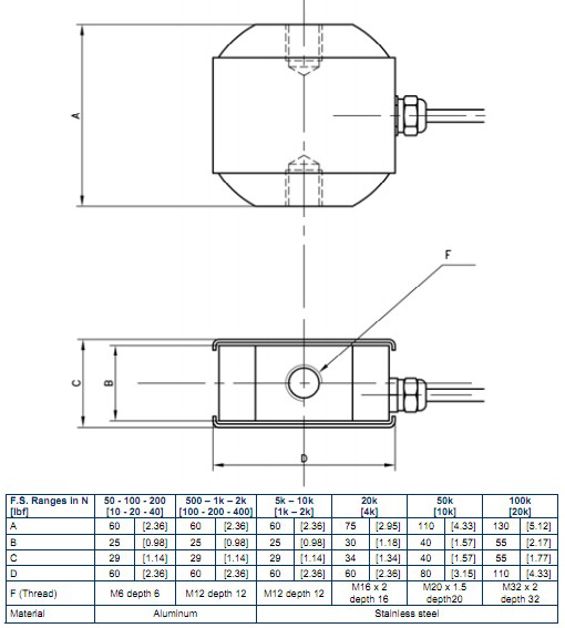
    - 量程N(Lbf):50~100K(10~20K)
 
    - 滿量程輸出:±20mV(4V; ±5V可選)
 
    - 非線性:<0.1%FS
 
    - 工作溫度:-40°C~150°C 
 
    - 尺寸:參見詳細資料    
 
 典型應用:
    - 機器人應用
 
    - 材料測試
 
    - 測力工具
 
    - 動態應變調節氣缸
 
    - 微型壓裝設備
 
    - 疲勞試驗臺
 
    - 小體積執行機構 
 
    - 實驗室應用 
 
外形: 

產品詳細資料請點擊 下載>>