

產品說明:
1240型中壓傳感器是經過溫度補償的硅壓阻式傳感器,采用雙列直插封裝結構,適用于要求成本低,性能優越,長期穩定的應用領域。通過激光刻蝕的電阻可以實現-20-+85℃的溫度補償,同時還提供一個激光刻蝕的電阻用于調節差動放大器的增益來校正傳感器的壓力靈敏度變化,使其具有良好的互換性,互換誤差僅為±1%。表壓、差壓產品從0-15PSI 至 0-100PSI。絕壓產品量程從0-15PSIA 至 0-30PSIA量程范圍內兩種精度等級。 多種引腳方式和引壓管配置可用于不同的應用領域。
產品特點:
產品應用:
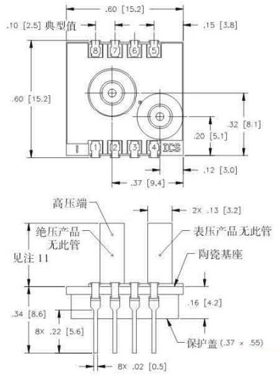
外形尺寸:

性能參數:

詳細產品資料請點擊 下載>>
