

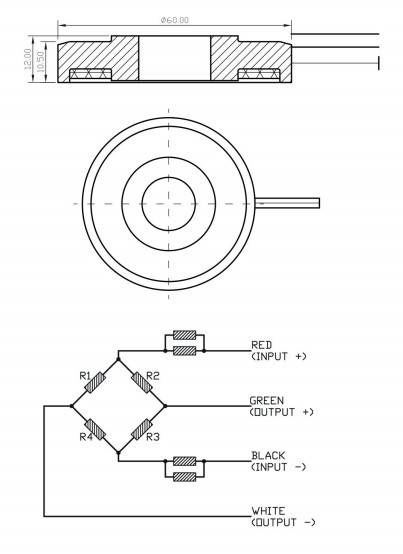
產品說明:
這款高品質的稱重傳感器KG-5型采用合金剛材質,表面化學鎳磷鍍處理,硅膠密封,Ip67.
適用于電子臺稱、軌道衡及汽車衡工業配料;安裝容易,使用方便。
 
產品參數介紹:
主要技術指標
量程:           1/2/3/5T
綜合誤差:        C1
輸出靈敏度:      1.0±0.2mV/V
非線性:         ±0.1%F.S
重復性:         ±0.1%F.S
滯后性:         ±0.1%F.S
蠕變:           ±0.1%(20min)F.S
零點溫度漂移:    ≤±0.2%F.S/10℃
額定輸出溫度漂移:≤±0.1%F.S/10℃
零點輸出:       ±0.04mV/V
輸入電阻:       2000±50Ω
輸出電阻:       2000±10Ω
絕緣電阻:       ≥2000Ω/100VDC
推薦激勵電壓:   5~10(DC)V
工作溫度范圍:   0-40℃
安全過載:       150%F.S
 
詳細資料請點擊下載>>
