

產品說明:
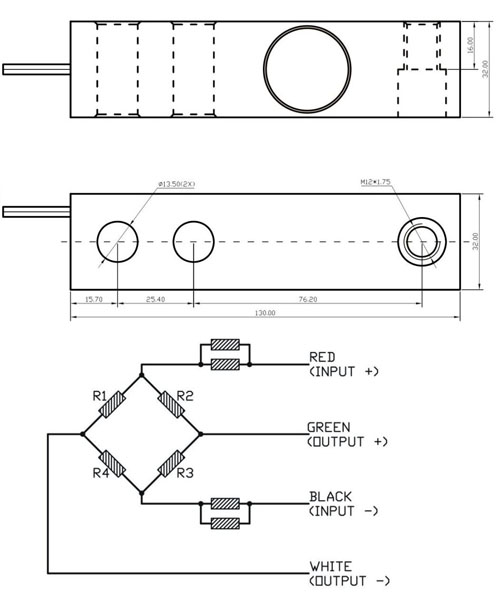
剪切懸臂梁式測力傳感器KG-1型采用合金剛材質,表面化學鎳磷鍍處理,硅膠密封,Ip67.
適用于電子臺稱、軌道衡及汽車衡工業配料;安裝容易,使用方便。
 
產品參數介紹:
量程:           0.5/1/2/2.5/5T
綜合誤差:        C3
輸出靈敏度:      2.0±0.1mV/V
非線性:         ±0.02%F.S
重復性:         ±0.02%F.S
滯后性:         ±0.02%F.S
蠕變:           ±0.02%(20min)F.S
零點溫度漂移:    ≤±0.02%F.S/10℃
額定輸出溫度漂移:≤±0.02%F.S/10℃
零點輸出:       ±0.04mV/V
輸入電阻:       405±100Ω
輸出電阻:       350±2Ω
絕緣電阻:       ≥2000Ω/100VDC
推薦激勵電壓:   5~10(DC)V
工作溫度范圍:   0-40℃
安全過載:       150%F.S
詳細資料請點擊下載>>
